

止回閥是指依靠介質本身流動而自動開、閉閥瓣,用來防止介質倒流的閥門,又稱逆止閥、單向閥、逆流閥、和背壓閥。止回閥屬于一種自動閥門,其主要作用是防止介質倒流、防止泵及驅動電動機反轉,以及容器介質的泄放。
止回閥還可用于給其中的壓力可能升至超過系統壓的輔助系統提供補給的管路上。止回閥主要可分為旋啟式止回閥(依重心旋轉)與升降式止回閥(沿軸線移動)。止回閥這種類型的閥門的作用是只允許介質向一個方向流動,而且阻止反方向流動。通常這種閥門是自動工作的,在一個方向流動的流體壓力作用下,閥瓣打開;流體反方向流動時,由流體壓力和閥瓣的自重合閥瓣作用于閥座,從而切斷流動。其中止回閥就屬于這種類型的閥門,它包括旋啟式止回閥和升降式止回閥。旋啟式止回閥有一介鉸鏈機構,還有一個像門一樣的閥瓣自由地靠在傾斜的閥座表面上。為了確保閥瓣每次都能到達閥座面的合適位置,閥瓣設計在鉸鏈機構,以便閥瓣具有足夠有旋啟空間,并使閥瓣真正的、全面的與閥座接觸。閥瓣可以全部用金屬制成,也可以在金屬上鑲嵌皮革、橡膠、或者采用合成覆蓋面,這取決于使用性能的要求。旋啟式止回閥在完全打開的狀況下,流體壓力幾乎不受阻礙,因此通過閥門的壓力降相對較小。升降式止回閥的閥瓣坐落位于閥體上閥座密封面上。此閥門除了閥瓣可以自由地升降之外,其余部分如同截止閥一樣,流體壓力使閥瓣從閥座密封面上抬起,介質回流導致閥瓣回落到閥座上,并切斷流動。根據使用條件,閥瓣可以是全金屬結構,也可以是在閥瓣架上鑲嵌橡膠墊或橡膠環的形式。像截止閥一樣,流體通過升降式止回閥的通道也是狹窄的,因此通過升降式止回閥的壓力降比旋啟式止回閥大些,而且旋啟式止回閥的流量受到的限制很少。
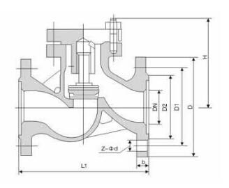
止回閥試驗狀態:升降式止回閥閥瓣軸線處于與水平垂直的位置;旋啟式止回閥通道軸線和閥瓣軸線處于與水平線近似平行的位置。
強度試驗時,從進口端引入試驗介質至規定值,另一端封閉,看閥體和閥蓋無滲漏為合格。
密封性試驗從出口端引入試驗介質,在進口端檢查密封面處,填料和墊片處無滲漏為合格。
主營產品:氣動調節閥 - 電動調節閥 - 自力式調節閥
版版權所有 © 上海大田閥門管道工程有限公司
地址:上海市浦東新區川宏路528號宏圖大樓5樓
































