大田閥門生產銷售的BQ673/674F(PPL、M)-16氣動保溫球閥具有良好的保溫保冷特性,且閥門的通徑與管徑一致,同時又能有效降低管路中介質熱量損失。主要用于石油、化工、冶金、制藥、食品等各類系統中,以輸送常溫下會凝固的高粘度介質。 由于采用整體式結構,因而保溫球閥比一般球閥何種更小,重量更輕,且無外漏,密封性能良好,夾套采用碳素鋼管焊接比鑄造的更加耐壓牢固。
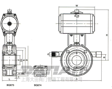
| 通徑DN | d | G | A | B | L | D | K | D1 | n-Md | f | H | W | ||
|---|---|---|---|---|---|---|---|---|---|---|---|---|---|---|
| mm | in | BQ73 | BQ74 | |||||||||||
| 15 | 1/2″ | 14 | G1/2″ | 150 | 15 | 35 | 90 | 65 | 46 | 4-12 | 4-14 | 2 | 170 | 140 |
| 20 | 3/4″ | 19 | G1/2″ | 160 | 20 | 38 | 100 | 75 | 56 | 4-12 | 4-14 | 2 | 175 | 140 |
| 25 | 1″ | 25 | G1/2″ | 190 | 20 | 42 | 110 | 85 | 65 | 4-12 | 4-14 | 2 | 180 | 140 |
| 32 | 1 1/4″ | 29 | G1/2″ | 210 | 25 | 50 | 135 | 100 | 76 | 4-16 | 4-14 | 2 | 215 | 164 |
| 40 | 1 1/2″ | 38 | G1/2″ | 230 | 30 | 60 | 145 | 110 | 84 | 4-16 | 4-18 | 2 | 225 | 164 |
| 50 | 2″ | 48 | G1/2″ | 250 | 30 | 70 | 160 | 125 | 99 | 4-16 | 4-18 | 3 | 248 | 190 |
| 65 | 2 1/2″ | 64 | G1/2″ | 270 | 45 | 95 | 180 | 145 | 118 | 4-16 | 3 | 258 | 210 | |
| 80 | 3″ | 76 | G1/2″ | 300 | 50 | 118 | 195 | 160 | 132 | 8-16 | 3 | 300 | 247 | |
| 100 | 4″ | 95 | G1″ | 340 | 70 | 140 | 215 | 180 | 156 | 8-16 | 3 | 315 | 276 | |
BQ673法蘭為螺紋孔,BQ674法蘭為光孔。
![]() |
![]() |
| 氣動保溫球閥 | 氣動保溫球閥外形圖 |
主營產品:氣動調節閥 - 電動調節閥 - 自力式調節閥
版版權所有 © 上海大田閥門管道工程有限公司
地址:上海市浦東新區川宏路528號宏圖大樓5樓


