ZRD型高性能調節型蝶閥采用智能控制,可采用電動或者氣動執行機構,實現對壓力、流量、溫度、液位等參數的調節。具有結構緊湊,功能強、體積小、密封性好,性能可靠、配套簡單、流通能力大,等優點特別是適合于介質是粘稠、含顆粒、纖維性質的場合。目前該調節閥廣泛應用于食品、環保、輕工、石油、造紙、化工、教學和科研設備、電力等行業的工業自動控制系統中。
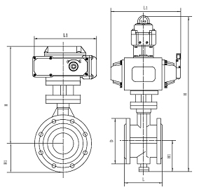
閥體型式:扁平鑄造型
閥芯型式:三偏心蝶型
公稱通徑:DN50 ~600 NPS 2〞~24〞
公稱壓力:PN16 ~25 CLASS 150LB
連接方式:法蘭、對夾式
閥蓋形式:一體式
填 料:V型聚四氟乙烯、柔性石墨填料等
密 封 墊:金屬夾石墨密封
執行機構:氣動:氣動活塞式執行機構、氣動薄膜執行機構
電動:DTR系列 、 3810L系列
表面涂漆:綠色 丙稀酸聚胺酯磁漆
| Z | 執行機構 | R | 結構形式 | -公稱壓力 | 閥體材質 | 公稱通徑 |
|---|---|---|---|---|---|---|
| Z系列調節閥 | S:氣動活塞執行機構 J:氣動薄膜執行機構 A:電動DTR執行機構 R:電動3810R執行機構 |
R 角行程 |
D:標準型硬密封調節蝶閥 |
PN16=16 CL150LB=150 LB |
C=WCB |
DN50= DN50 |
| 流量特性 | 近似等百分比 | |
|---|---|---|
| 可調范圍 | 50:1 | |
| 額定CV值 | 全腔型CV 85~20500 | |
| 行程 | 全開 90° 調節0-70° | |
| 允許泄漏量 | 硬密封:IV級(0.01% 閥額定容量) 軟密封:VI級(氣泡級) | |
| 基本誤差% | 氣動 ±2 | 電動±2.0 |
| 回差% | 氣動 ≤1.5 | 電動≤1.0 |
| 死區% | 氣動 ≤0.6 | 電動≤1.0 |
注:性能指標中各項參數為帶定位器純聚四氟乙烯填料的調節閥。
| 公稱通徑DN(mm) | 50 | 65 | 80 | 100 | 125 | 150 | 200 | 250 | 300 | 350 | 400 | 450 | 500 | 600 |
|---|---|---|---|---|---|---|---|---|---|---|---|---|---|---|
| 額定流量系數Cv | 85 | 180 | 240 | 390 | 690 | 1000 | 1760 | 3390 | 4730 | 6700 | 8900 | 10500 | 14800 | 20500 |
| PTFE填料,金屬密封允許壓差 單位MPa | ||||||||||||||
| 雙作用氣動執行機構 | 1.45 | 0.54 | 0.79 | 0.42 | 0.34 | 0.1 | 0.27 | 0.17 | 0.12 | 0.19 | 0.11 | 0.04 | ||
| 單作用氣動執行機構 | 0.82 | 0.38 | 0.5 | 0.44 | 0.33 | 0.19 | 0.38 | 0.16 | 0.14 | 0.14 | 0.12 | 0.11 | ||
| 公稱通徑 | L | H | H1 | L1 | ![]() |
||
|---|---|---|---|---|---|---|---|
| DN | NPS | 軟密封 | 硬密封 | ||||
| 50 | 2 | 108 | 539 | 82 | 112 | 208 | |
| 65 | 2 1/2 | 112 | 554 | 92 | 115 | 208 | |
| 80 | 3 | 114 | 569 | 100 | 120 | 208 | |
| 100 | 4 | 127 | 614 | 110 | 138 | 208 | |
| 125 | 5 | 140 | 649 | 125 | 164 | 208 | |
| 150 | 6 | 140 | 725 | 142 | 175 | 256 | |
| 200 | 8 | 152 | 835 | 170 | 208 | 256 | |
| 250 | 10 | 165 | 890 | 192 | 243 | 256 | |
| 300 | 12 | 178 | 995 | 222 | 283 | 256 | |
| 350 | 14 | 190 | 1155 | 252 | 310 | 346 | |
| 400 | 16 | 216 | 1225 | 282 | 340 | 346 | |
| 公稱通徑 | L | H | H1 | L1 | ![]() |
||
|---|---|---|---|---|---|---|---|
| DN | NPS | 軟密封 | 硬密封 | ||||
| 50 | 2 | 43 | 539 | 82 | 112 | 208 | |
| 65 | 2 1/2 | 46 | 554 | 92 | 115 | 208 | |
| 80 | 3 | 46/49 | 569 | 100 | 120 | 208 | |
| 100 | 4 | 52/56 | 614 | 110 | 138 | 208 | |
| 125 | 5 | 56/64 | 649 | 125 | 164 | 208 | |
| 150 | 6 | 56/70 | 725 | 142 | 175 | 256 | |
| 200 | 8 | 60/71 | 835 | 170 | 208 | 256 | |
| 250 | 10 | 68/76 | 890 | 192 | 243 | 256 | |
| 300 | 12 | 78/83 | 995 | 222 | 283 | 256 | |
| 350 | 14 | 78/92 | 1155 | 252 | 310 | 346 | |
| 400 | 16 | 102 | 1225 | 282 | 340 | 346 | |
答 隨著我國工業的迅速發展,電動調節閥在冶金、石油化工等領域的應用越來越廣泛,其穩定性、可靠性也顯得越來越重要,它的工作狀態…
答 電動三通合流/分流調節閥采用圓筒型薄壁窗口形閥芯導向。配用VTRD直行程電動執行機構,接受0~10或4~20mA.DC信號驅動閥門啟閉。特…
主營產品:氣動調節閥 - 電動調節閥 - 自力式調節閥
版版權所有 © 上海大田閥門管道工程有限公司
地址:上海市浦東新區川宏路528號宏圖大樓5樓



.jpg)
